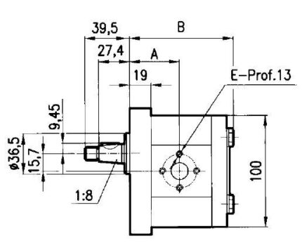
Applicazioni:
Landini – 100 – Rex Cab (2000 – 2003) RP50 – Trattore pompa sollevatore doppio corpo tipo BOSCH
Landini – 90 – Rex Cab (2000 – 2003) RP50 – Trattore pompa sollevatore doppio corpo tipo BOSCH
Landini – 105 F/GT/GE – Rex Tier 2 (2003 – 2008) RP51 – Trattore
Landini – 85 F/GT/GE – Rex Tier 2 (2003 – 2008) RP51 – Trattore – Motore: Perkins 1104C-44
Landini – 110F/GE/GT/GB – Rex Top Restyling (2010) RP55 – Trattore
McCormick – 95 – C-MAX RPS Tier 2 (2004 – 2012) RS21 – Trattore
McCormick – F85 F/XL/GE – F/XL Tier 2 (2003 – 2008) RP51 – Trattore






